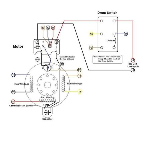
There are six wires coming from the motor as follows t1 t2 t3 t4 t5 t6t8. Im trying to wire a dayton 2x440a drum switch foward and reverse.
3 Phase Drum Switch Wiring Diagrams Dayton C3 Wiring Diagram
Dayton drum switch wiring diagram. B a three phase ac motor connected to a drum switch. A a single phase ac motor connected to a drum switch. Realize that with this switch any two lines to the motor can be swapped so the motor will change direction of. Its not been a huge rush bc the main. Wiring diagram dayton ac electric motor refrence wiring diagram. Easy online ordering for the ones who get it done along with 247 customer service free technical support more.
Or they will give you a number for customer careim trying to wire a dayton 2xa drum switch foward and reverse. Reverse baldor single phase ac motor circuit diagram duration. The motor is a 1 hp volt single phase general purpose. Graingers got your back. Graingers got your back. The diagram should be available on their site.
How they work and wiring them without the wire labels. To check out a wiring diagram initially you have to know just what fundamental elements are consisted of in a wiring diagram as well as which pictorial icons are made use of to represent them. There are six wires coming from. How to wire drum switch for reversing single phase 14hp 120v motor. The motor is a 1 hp 115220 volt single phase general purpose. Dayton electric motors wiring diagram gallery dayton motor wiring solutions 17 0.
Drum switch install by al furtado. Amazing baldor electric motor wiring diagram motors 10 3. Figure 3b shows a three phase motor connected to a drum switch. C a dc motor connected to a drum switch. Searching for dayton drum switches. The usual aspects in a wiring diagram are ground power supply wire as well as link result gadgets switches resistors reasoning gateway lights etc.
Easy online ordering for the ones who get it done along with 247 customer service free technical support more. Dayton motor wiring solutions 17 0. It took me waaay too long to figure out how to do this but i reckon itll be worth it. Dayton 2x drum switch wiring diagram shop dayton switchdrum reversing 2x at grainger. Looking for dayton maintained reversing plastic drum switch 2 pole nema rating 1 2x440.

















