Three phase systems are extremely common in industrial and commercial settings. Although these systems may seem intimidating at first a walkthrough on 3 phase wiring for dummies will help clarify the whole situation.
How To Connect A Single Phase Motor
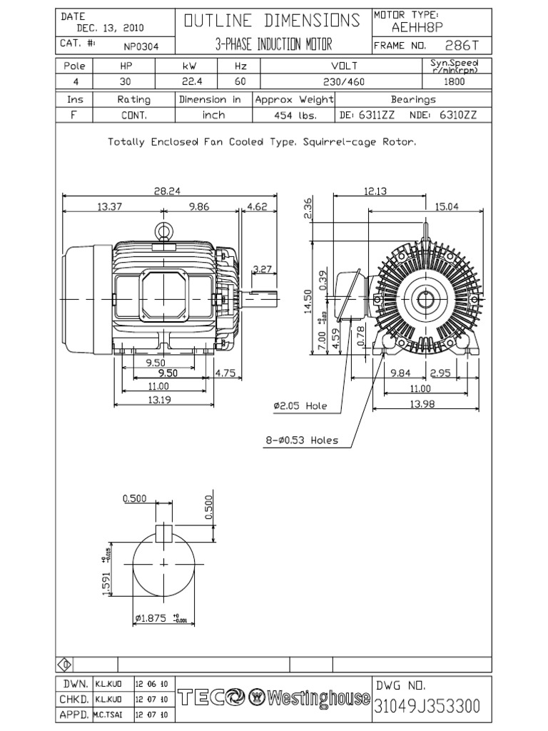
Teco 3 phase induction motor wiring diagram. Three phase electrical wiring installation in home iec nec. The recommended tightening torque s for medium carbon steel. Induction motor totally enclosed fan cooled nema standard epact three phase induction motors sdesign versatility teco totally enclosed fan cooled squirrel cage induction motors are designed manufactured and tested to meet or exceed the latest nema ieee csa and. Wiring of motor and control overload protection and. The motor must be installed and operated in strict accordance with the outline drawing motor nameplates and these instructions and must not be altered or modified in any unauthorized manner. W2 cj2 ui vi wi w2 cj2 ui vi wi a cow voltage y high voltage z t4 til t12 10 til t4 t5 ali l2 t12 ti blu t2 wht t3org t4 yel t5 blk t6 gry t7 pnk.
One line diagram of simple contactor circuit. Also the foundation of pump a foundation of motorpump must be rigid and secure to provide adequate support. During these installations and operation of motors in heavy industrial applications there is a danger. For three phase induction motors frames 143t 449t 18060 109 ave edmonton ab t5s 2k2. How to connect a portable generator to home supply system three methods a simple circuit diagram of contactor with three phase motor. Multi speed 3 phase motor 3 speeds 1 direction power control diagrams.
You may also read. Site and environment for motor installation 311. They can also be found in large residential complexes and appliances requiring a large amount of power. 323 the foundation of vertical induction motors. Capacitor motor single phase wiring diagrams always use wiring diagram supplied on motor nameplate. Three phase induction motors teco westinghouse motor company 5100 north ih 35 round rock tx.
Mounting bolts must be carefully tightened to prevent changes in alignment and possible damage to the equipment. Different regions may use different voltages.






_main.jpg?width=800&height=800&ext=.jpg)






