Dt92e and cs92a both battery powered no wiring. The same model so i could just copy over the wiring.
How To Construct Wiring Diagrams Industrial Controls
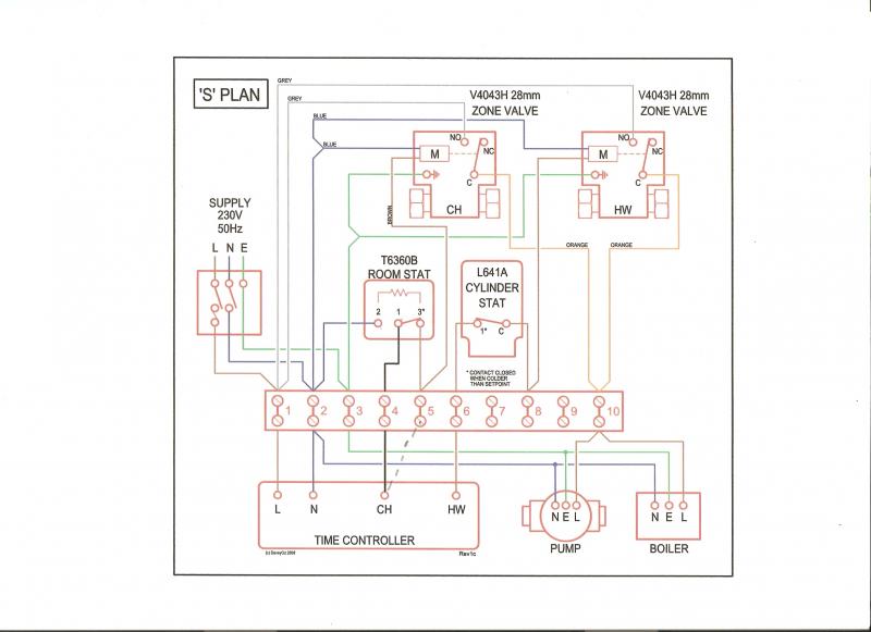
Honeywell wireless room stat wiring diagram. Wiring connections for a room thermostat such as the honeywell 24 volt t87f the honeywell series 10 out of production or penn rimset low voltage wall thermostat models are pretty simple as are the wiring instructions for white rogers mercoid general controls and similar thermostats. More about thermostat wiring. The y6630d is a battery powered wireless room thermostat and mains powered hc60ng receiver box pre bound to give intelligent room temperature control of a single zone. Boiler plus compliant for system boilers. Ive just replaced my old honeywell t6360 room stat as the old one stopped working. Basic 2 wire room thermostat wiring instructions.
Im not very experienced in matters of electricity so to make things easy for myself i simply bought a brand new one ie. Wiring diagrams contains all the essential wiring diagrams across our range of heating controls. Electrical wiring question replacing honeywell t6160 room stat mains 3 wirewith horstmann drt2battery operated 2 wire. As can be seen from the y plan wiring diagram above the switched output from the room stat connects directly with the heating white connection to the motorized valve. Replacing a thermostat can be tricky because of the variety of colors of the electrical wiring used for to control the unit. Remote boiler control with wireless relay box bdr91 supplied separately remote valve control with wireless relay box bdr91 supplied separately sundial rf² pack 1 y9120h2009 sundial rf² pack 2 y9420h1008 sundial rf² pack 4 y9120w1000.
Electrical wiring for a honeywell thermostat. Our wiring diagrams section details a selection of key wiring diagrams focused around typical sundial s and y plans.

















