Yamaha ct2 175 electrical wiring diagram schematic 1972 here. The result is a destroyed stator and ignition failure.
Yamaha 125 Wiring Diagram Wiring Diagram
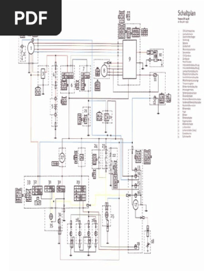
Yamaha dt 125 electrical wiring diagram. Yamaha dt125 dt 125 a b electrical wiring diagram schematic 1974 1975 here. Yamaha dt100 dt 100 electrical wiring diagram schematic 1974 to 1983 here. Do check battery and light bulbs for correct voltage 12v. It debuted in 1968 as a successor of yamaha dt 1. It debuted in 1968 as a successor of yamaha dt 1. Yamaha dt125 dt 125 a b.
Yamaha dt 125 is driven by a 123 cc air cooled single 2 stroke reed valve engine combined with 6 speed manual transmission system generating 1292 kw 1733 hp power at 7000 rpm and 105 kmh 65 mph top speed. Dt125r wiring diagram yamaha 2001 dt 125 r question. Project 1972 yamaha at1 at2 enduro 125 we got spark installing the points and setting the timing duration. Yamaha ct1 175 electrical wiring diagram schematic 1969 1970 1971 here. Assembly instructions for systems 70 98 00 75 99 00 76 41 00 and 77 battery and before the first kickstart please re check carefully all connections and fitments against the wiring diagram. You can find detail and complete 2005 yamaha dt125x wiring diagram here on the last page of the service manual.
Jay lane creations 1172 views. Yamaha ct2 175 electrical wiring diagram schematic 1972 here. Yamaha dt 125 ab enduro motorcycle wiring schematics diagram. Hi fredrickare sorry you cant find the first and best tool you ever bought for your yamaha despair not for a mere 0 you can download another one. Yamaha dt 125. Hi anonymous sorry you cant find the first and best tool you ever bought for your yamaha despair not for a mere 0 you can download another one.
Generally the 2005 yamaha dt125x electrical system consists of cdi unit servomotor battery fuse neutral switch thermo unit rectifierregulator ignition coil and main switch. Yamaha at1 125 enduro motorcycle wiring schematics diagram. Yamaha dt125 1978 usa parts list info set as my vehicle my vehicles share this page this parts list page handle wire contains the most products with forty eight listed parts. Vintage yamaha single enduro 125 at1 and at1m owners manual. Yamaha dt 125 ab enduro motorcycle wiring schematics diagram. Yamaha ct3 175 electrical wiring diagram schematic 1973 here.
The following schematic shows the yamaha dt 125 cdi wiring and circuit diagramthe circuit can be used on other existing ac cdi. 1974 1976 yamaha dt 100125175 cycleserv repair shop manual enduro motorcycle.















