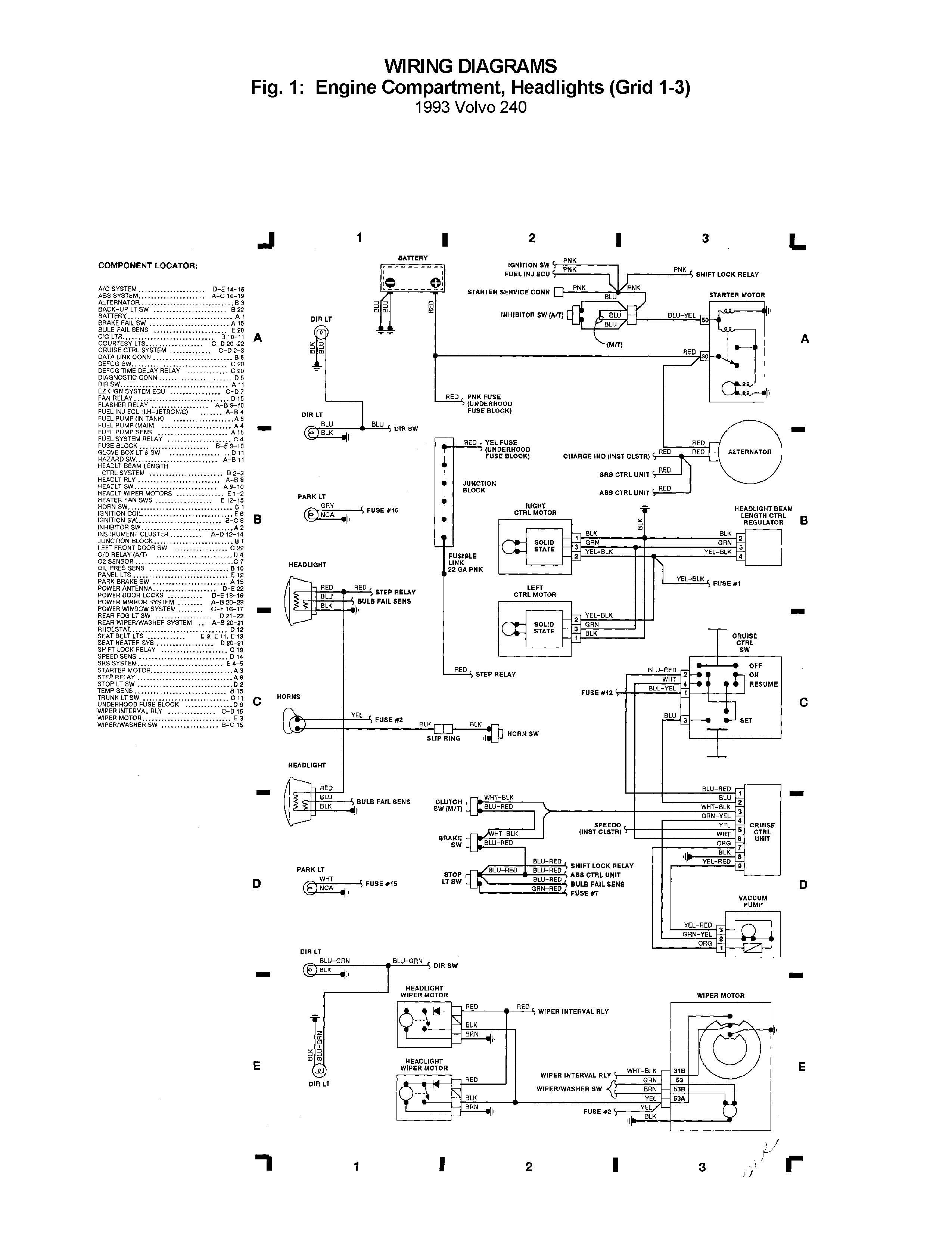
Volvo 240 1985 wiring diagrams. Volvo 240 260 service manual section 4.
1990 Volvo 240 Wiring Diagram H1 Wiring Diagram
Volvo 240 wiring diagram. Volvo 240 260 1982 wiring diagram. Volvo 240 1976 wiring diagram. Volvo 240 1983 wiring diagrams. Volvo 240 1984 wiring diagram. When it engages the second half of the relay brings the red wire 12v battery to the yellow red wire to fuse 4. Bosch air mass flow sensor maf overview datasheet for volvo 240 and 260 fuel injection systems.
Longbow media 943 views. A lot of them did change. View and download volvo s40 wiring diagram online. Hi i would like a speaker wiring diagram for my volvo c70 2001. Some even changed from power to ground. Volvo 240 1984 wiring diagrams.
There is a mixture of 4ohms and 8 ohms units. The 10 12 gauge size is the original size used in volvo 240 junction boxes. Door card panel power window removal tutorial how to volvo 240 242 244 245 gl duration. Volvo 240 260 1980 wiring diagram. S40 automobile pdf manual download. 2004 volvo s40 04 v50 electrical wiring diagram tp 3974202rar.
Volvotips has the exclusive courtesy of volvo car corporation and volvo cars heritage to publish the volvo greenbooks service manual parts catalogs and other volvo material and publications. Rear axle power train transmissions. Volvo 240 1975 wiring diagram. Volvo 240 260 1985 wiring diagram. So no juice at one side of 4 no juice at the fuel pump side of 4 no working fuel pumps. At location d4 on that diagram the other side of fuse 4 is the power feed to the fuel pumps.
This is the service manual of the volvo 200 series volvo 240 and 260. This group contains the volvo 240 260 service repair manuals of the rear axle driveshaft and manual. V50 c70 2007 s40 2007 v50 2007 c70. 1995 volvo 850 starter bosch wiring diagram. Volvo 240 instrument cluster and gauge wiring below i have compiled 240 instrument cluster wiring for several different years. Volvo 240 wiring diagrams modelyear 1985 and later.
I would appreciate it if you could tell me how they are wired. If one of the fuses at those circuits blows during this test the pump circuit power wiring is shorting to ground somewhere between the fuse panel and the pump. 2005 volvo s40 04 v50 wiring diagram supplement tp 3984202rar. Relay e in the diagram image. If youre converting an instrument cluster to fit a different year than intended pay strict attention to any pins that have changed. I think i have 4 tweeters 2 mid range and 4 bass units.
Volvo s80 wiring diagram. Click here for the index of the full service repair manual.

















