The wires should be drawn through 1 of 3 knockouts located on the underside of the switch. Powering it with a honeywell 7000 watt generator.
Wiring Diagram Electric Generator Transfer Switch Electricity
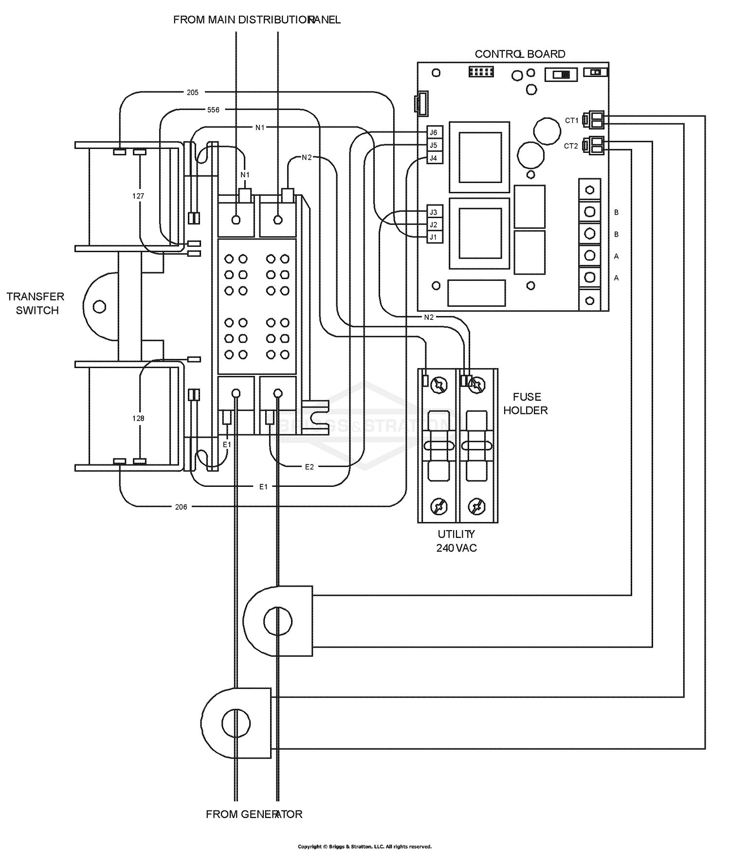
Transfer switch wiring diagram. Generac automatic transfer switch wiring diagram and generator generac automatic transfer switch wiring diagram. Assortment of manual transfer switch wiring diagram. Generac 200 amp transfer switch wiring diagram what is a wiring diagram. It reveals the components of the circuit as streamlined forms and also the power as well as signal connections in between the gadgets. When utility power is functioning the wires from the circuit breaker in the main electrical distribution panel are connected to the generator sub panel. A wiring diagram is a simple visual representation from the physical connections and physical layout of the electrical system or circuit.
These directions will be easy to understand and implement. Wiring diagram will come with a number of easy to adhere to wiring diagram instructions. Figure 5 wiring diagram of a manual transfer switch in the on position. Electrical question 1 about generator transfer switch. They should join the circuit breaker through a knockout found at the bottom of the box. If utility power fails the switch connects the generators power to the circuits in the generator sub panel.
Assortment of generac 200 amp automatic transfer switch wiring diagram. It reveals the elements of the circuit as streamlined shapes and the power and also signal connections in between the gadgets. Use the transfer switchs wiring harness to connect the unit to the circuit breaker. Variety of reliance transfer switch wiring diagram. The basic 3 way switch wiring diagram wiring a switched outlet wiring diagram this entry was posted in outdoor wiring diagrams and tagged backup generator do it yourself emergency generator generator transfer switch wiring wiring diagram. I had a reliance 31410rk manual transfer switch put in by a licensed electrician about a year ago.
A wiring diagram is a simplified standard pictorial depiction of an electrical circuit. Generator transfer switch wiring. A wiring diagram is a simplified traditional pictorial representation of an electrical circuit. After a power failure the other day i started up the generator connected the cord into the twist lock. A wiring diagram is a simplified conventional pictorial depiction of an electrical circuit. It is supposed to assist all of the common user in creating a correct system.















