Watch this video to learn how to install the 1451 decora 5601 and renu re151 single pole switches. Leviton dimmer switch white 15a 120v 227vac ac only nom 057 condition tested and working fine.

Leviton Dimmers Switches And Fan Speed Controllers
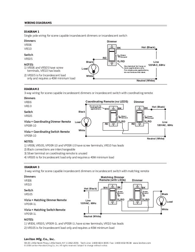
Leviton nom 057 switch wiring diagram. The switch is toggle style for easy control and has an ivory finish that complements most decors. If youre ever unsure about wiring a device please consult an electrician. 078477494332 country of origin. The leviton decora 15 amp rocker switch features the leviton decora 15 amp rocker switch features quick wire push in wiring and a light almond finish intended to match many home interiors. The leviton 15 amp residential toggle switch is the leviton 15 amp residential toggle switch is ul listed and features quick wire push in wiring. To learn more.
Cosmetic condition unit was pulled from a working environment and is in good working condition. Electrical wiring devices instruction sheets. Color change kits ipkit nr 15 amp afci tamper resistant duplex aftr1. 9 24 14 brown box brown bag included. The ul listed switch has a rocker design that offers 1 touch control of a light source and can be used to replace a standard single pole switch. 20 amp 120277 volt single pole ac toggle switch extra heavy duty specification grade self grounding lev lok modular white mating lev lok wiring module required for use upc code.
Leviton switch white 15a 120v 227vac ac only nom 057 used working nice location. More product. This switch is rated for up to 15 amp has a single pole and a maximum of 277 volt.