14 22 23 27 30 34 35. The indian brand bajaj auto founded in 1945 ranks third in the world in the production of motorcyclesinitially the company was in the sale of 2 and 3 wheel carts rickshaws popular among the indian population.
Xx 9603 Bajaj Chetak Wiring Diagram Download Diagram
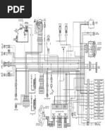
Bajaj pulsar 150 electrical wiring diagram pdf. Scope limits given in this manual. 2001 2001 bajaj pulsar 150 180 training notes manualpdf repair manuals 134 mb. For details please refer to warranty. View and download bajaj pulsar 180 dtsi workshop manual online. After 14 years in 1959 bajaj auto acquired a state license for the. Bajaj pulsar dtsi workshop manual.
Your pulsar comes with a warranty of 5 years or 75000 kms whichever occurs earlier from the date of sale. Shipping return. English 78 xcd 125 dts si. Pulsar 180 dtsi motorcycle pdf manual download. These services at any of our bajaj dealers or authorised service dealers who are well equipped with all necessary facilities genuine parts oil and trained manpower to ensure the best care for your pulsar. Electrical circuits page no.
The salient features. 1 2 scrapper v ives sohc 13 ps 987 kw at 8500 rpm. Some bajaj motorcycle parts manuals wiring diagrams pdf are above the page cheetak super excel legend. Page 1 vehicle dealers or authorised service centres as per the schedule contained in this booklet your bajaj pulsar 150 dts i comes with a warranty of 2 years or 30000 kms. Bajaj pulsar harness change full video hindi mai. Whichever occurs earlier from the date of sale.
Pulsar 150 cc dts i 4 stroke air cooled 14391 cc 57 x 554 9505. Unable to find a part. Pulsar engine simple wiring start engine pulsar engine simple wiring start engine bajaj pulsar 150180 wiring pulsar 150180 wiring diagram pulsar wiring in hindi pulsar motorcycle ki wiring detail ke liye aap ye video dekh sakte hai pulsar 200ns the complete bike engine type 4 stroke dts i air cooled single cylinder.














