A smoke or heat detector can be installed to the existing or new home wiring. Connect the input wires on the transformer to the source circuit using the black to black white to white and ground to green method.
3da79 Tamper Wiring Diagram For Wiring Resources
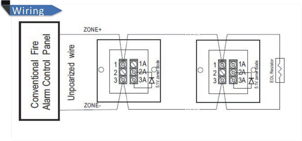
Alarm bell wiring diagram. Alarm bell box wiring diagram alarm bell box wiring diagram wiring pertaining to burglar alarm wiring diagram pdf image size 588 x 799 px actually we also have been remarked that burglar alarm wiring diagram pdf is being one of the most popular subject right now. Sk313 transformer 115 to 8v or 230 to 8v l1 l2 power utility box alarm bell 8v to control switch see fm0419 for mounting instructions or mechanical alternator 10 0075. Connect the wiring see diagram. Wiring for two doors is the same as for one with the transformer hardwired to the 120 volt source from a house circuit. Mount bell mechanism to backbox bell mechanism must be mounted with the striker pointing down. Alarm alarm wiring wiring.
Wiring diagram for a two chime doorbell. Typical simplex systems with bell alarm system wiring diagram 10 0015 10 0016 10 0028 disconnect not shown note. This video demonstrates how to properly wire a vsr flow switch to a bell. Wiring for sirens and power runs is 4 conductor fire wire which can also be used for smoke detectors. In our basic wiring diagram a single or multiple heat and smoke detectors are installed in the home by connecting the live line or hot neutral ground and an interconnected wire to the alarm. Alarm system store 43091 views.
If you decide to run ground wiring use 18 gauge or heavier single copper conductor along with a grounding clamp to match the type of connection you need. Fire alarm bells installation. The bell should be mounted a minimum of 8 ft. Alarm bells can be installed with few tools but careful wiring placement and testing are required. This is the basic fire alarm system used in household wiring. Weve been serving local ventura county california since 1980 as a custom boat builder repower specialist designer.
From the floor or as close to the ceiling as possible. Basic alarm wiring example. Seaboard marine delivers guaranteed better than factory performance parts design and engineering for cummins and other marine diesel applications. All kinds of issues can lead to the activation of a fire alarm bellrising smoke ambient heat and even water flow through the fire alarm systembut all bells ring to encourage safe and early evacuation by a buildings occupants and proper placement is key. Alarm system should be on a separate circuit from pumps. Remove the gong 3.
Dsc powerseries neo alarm system wiring instructions how you can be successful duration. Keypads and most auxiliary devices use regular 4 conductor 22 gauge alarm wiring.

















