Download manual guide of vwt5 wiring in pdf that we listed in manual guide. 40 161212 pin quadlock fakra head unit car stereo connector.
Yy 1532 Skoda Bolero Wiring Diagram Download Diagram
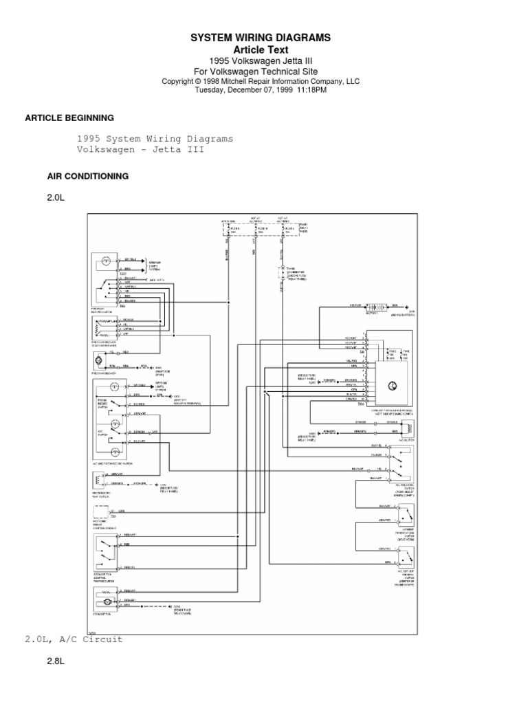
Vw rcd 200 wiring diagram. 1 wiring harness of power supply for heater unit. Hello all im trying to replace the rcd 200 radiocd player in my 2008 cali but am unsure about the wiring. Car stereo wiring harnesses interfaces explained what do the wire colors mean. Step by step installation instructions complete with photos tool list and wiring detail. Seatvw stereo wiring 2011. Vw rcd 300 mp3 bvx blaupunkt radio unlock code eprom 95640 duration.
Volkswagen rcd 300 rcd 500 head unit visual pinout. Pinout of volkswagen rcd 200 t5 head unitlg pn n6710gv pn 7h0 035 152 h. Volkswagen rcd 300 rcd 500. Some t5s have the single din with 2 key release slots and a pocket underneath it. Page 1 of 2 vw gamma to rcd200 wiring posted in audio electrics and lighting. Volkswagen rcd 300 rcd 500 head unit pinout.
It has four slots for key release. Vw eos 2006 2008 rcd 500. Volkswagen rcd 200 head unit pinout. Vw eos 2008 rcd 210. Vw volkswagen car radio stereo audio wiring diagram autoradio connector wire installation schematic schema esquema de conexiones stecker konektor connecteur cable shema car stereo harness wire speaker pinout. Ive done a bit of googling etc and found out that my car has iso small connectors and the rcd200 has quad large connectors.
Ive bought a quadlock connector to fit it to the kenwood wiring but am stumped as to what the original blue connector for the rcd200 is as it doesnt. Pinouts genuine porsche or volkswagen head units volkswagen pinouts. Free car stereo and car radio installation resource. Vw eos 2006 2008 rcd 300. Car stereo wiring harnesses interfaces explained what do the wire colors mean. Vw bora 1998 2005 rcd 200.
Last updated 2019 12 15 214912. Hi all i want to replace the gamma radio cassette in my polo 9n 2002 with a rcd200. Vw genuine car audio wiring pin assignments. 4 fuse holder retaining plate m4x12 bolt washer m4 nut. Vw eos 2006 2008 rns 300. Im fitting a kenwood dnc5180dabs.
Vw genuine car audio wiring pin assignments. Pinouts genuine porsche or volkswagen head units volkswagen pinouts. This ebooks file was taken from wwwvwbookscouk that avaialble for free download as owners manual user guide buyer guide or mechanic reference guide. There are two types of factory stereos found in them. Pinouts devices connectors. Models up to 2006 were more commonly on iso plug fitmentnbsp.
The volkswagen t5 runs from 2002 to 2016. Square double din with key release this is usually found on the earlier models up to late 2008.














