Below you can download a copy of the vent axia extractor fans installation manuals. For individual downloads simply click the filename in the right hand column to view save the file.
Ky 0284 Wiring Diagram For Fan Controller Schematic Wiring
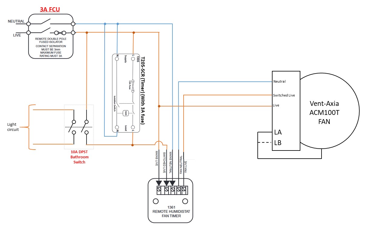
Vent axia extractor fan wiring diagram. The fan should be provided with a local isolator switch capable of disconnecting all poles having a contact separation of at least 3mm. Please save these instructions. View and download vent axia va100svl12 installation and wiring instructions online. The fan im connecting is manrose gold with over run timer. Trusted by the trade to help avoid and prevent damp and black residue caused by poor ventilation vent axia fans are innovatively packed with features to keep noise to a minimum as well as preventing condensation build up. Va100 selv 12 range fan and controller.
Va100svl12 fan pdf manual download. The fan should only be used in conjunction with the appropriate vent axia products. Download installation and wiring instructions for a wide range of vent axia products along with other product documentation. Vent axia silhouette installation 60542 kb download. Vent axia silent fan installation 83765 kb download. Page 1 silent fan installation and wiring instructions stock ref.
Vent axia quadra installation 53175 kb download. In this video i give a step by step guide of how to fit install and wire a bathroom extractor fan that is turned on and. How to fit and install a bathroom extractor fan with or without a timer. Ensure that the mains supply voltage frequency and phase complies with the rating label. The fan should only be used in conjunction with fixed wiring. Va100svx12 va100svxt12 va100svlh12 va100svxh12 va100svxht12.
The fan should only be used in conjunction with the appropriate vent axia products. Safety and guidance notes c. N 44 66 58 vasf100b 44 66 59 vasf100t 220 240v50hz ipx4 please read instructions in conjunction with illustrations. Vent axia extractor fans are a well known brand manufactured in britain known for producing quality products. Vent axia svara instruction 181648 kb download. Ventilation has a huge effect on the health of your family both in the long term but also in the short term to reduce the risk of the covid 19 virus.
Vent axia centra installation 39883 kb download. When the fan is used to remove air from a room containing a fuel burning appliance ensure that the air replacement is adequate for both the fan and the fuel burning appliance. Ensure that the mains supply voltage frequency and phase complies with the rating label. Hi this video is about wiring a bathroom extractor fan wiring fan to the three pole fan switch isolator and pull cord switch.
















