Basic diagram of two phase variable reluctance stepper motor. Variable reluctance stepper motor the principle of variable reluctance stepper motor is based on the property of the flux lines which capture the low reluctance path.
Sensors Modules Stepper Motor Sensors Modules
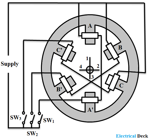
Variable reluctance stepper motor diagram. There are two types of the variable reluctance stepper motor. Three phase motor connection stardelta y δ reverse forward with timer power control diagram. The reluctance motor has basically two main parts called stator and rotor. 1034 for a 3 stack motor. Stepper motors are commonly used in linear motion applications for their precise positioning capabilities and good holding torque. Variable reluctance stepper motor.
As the name. It is the basic type of stepper motor that has been in existence for a long time and it ensures easiest way to understand principle of operation from a structural point of view. The stator carries only one winding. A reluctance motor is a type of electric motor that induces non permanent magnetic poles on the ferromagnetic rotor. Hybrid synchronous stepper motor. It generates torque through magnetic reluctance.
When the stator coil is energized the rotor moves to have a minimum gap between the stator and its teeth. Reluctance motors can deliver high power density at low cost making them attractive for many. Reluctance motor subtypes include synchronous variable switched and variable stepping. The rotor does not have any windings. And while the basic operating principle is the same for all stepper motors there are differences in operation and performance between the three primary types. The stator has a laminated construction made up of stampings.
Variable reluctance vr motors have a plain iron rotor and operate based on the principle that minimum reluctance occurs with minimum gap hence the rotor points are attracted toward the stator magnet poles. Permanent magnet variable reluctance and hybrid. The switched reluctance motor srm is an electric motor that runs by reluctance torque. Variable reluctance stepper motor. The variable reluctance stepper has a toothed non magnetic soft iron rotor. This is excited by single phase ac.
The stator and the rotor of the motor are aligned in such a way that the magnetic reluctance is minimum. The stampings are slotted on its periphery to carry the winding called stator winding. A variable reluctance stepper motor consists of a single or several stacks of stators and rotors stators have a common frame and rotors have a common shaft as shown in the longitudinal cross sectional view of fig. Jun 2 general 21637 views 4 comments on variable reluctance stepper motor it is electromagnetic and electro dynamic equipmenta stepper motor is a brushless dc motor whose rotor rotates in discrete angular displacements when its stator windings are energized in a programmed manner. Unlike common brushed dc motor types power is delivered to windings in the stator case rather than the rotorthis greatly simplifies mechanical design as power does not have to be delivered to a moving part but it complicates the electrical design as some sort of switching system needs to be used to. You may also read.
Hybrid stepper motors are named because they use a combination of permanent magnet pm and variable reluctance vr.

















