Even the most seasoned people who enjoy diy may come across problems with wiring a thermostat. By the use of an adjustable set point the job of the thermostat is to turn on either the heating or cooling system to maintain the desired room temperature in the home and to turn off the system when the desired temperature is achieved.
T5 7 Day Programmable Thermostat Shop Now Resideo
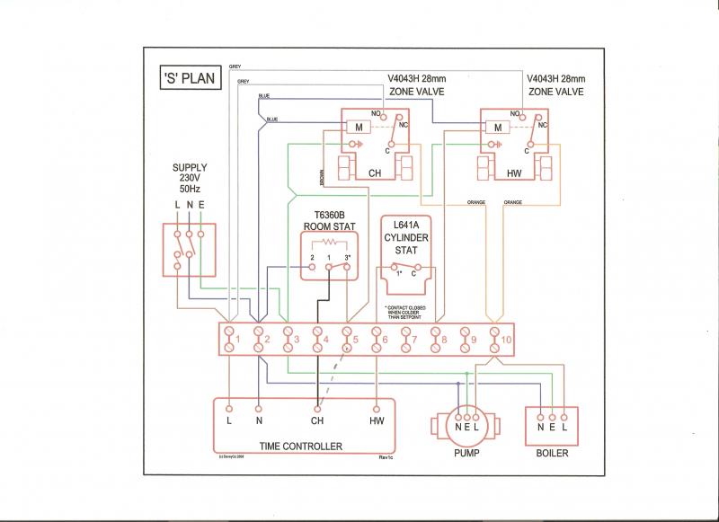
Room thermostat wiring diagram. Heck now im not calling anyone a dummy. Variety of 4 wire thermostat wiring diagram. It reveals the parts of the circuit as streamlined shapes and the power and also signal connections in between the gadgets. Heating controls wiring guide issue 17. At left the thermostat wiring diagram illustrates use of a honeywell t87f thermostat in a 2 wire application controlling a gas fired heating appliance. The main trouble is dealing with those different colored wires knowing which one does what and if that wasnt enough you also have numbers and letters to deal with.
The diagram below shows how a basic 4 wire thermostat is connected as indicated by the color code chart above. In the honeywell t87f thermostat series the single pole double throw switch makes closes one set of contacts when the temperature falls to turn on the heating appliance. Assuming your controller is the dt90e model the instructions to which i have just looked at. Click the icon or the document title to download the pdf. Heat pumps are different than air conditioners because a heat pump uses the process of refrigeration to heat and coolwhile an air conditioner uses the process of refrigeration to only cool the central air conditioner will usually be paired with a gas furnace an electric furnace or some other method of heating. Easiest way would be to find the wiring diagram for the old thermostat probably inside the lid and identify the cable cores by the terminal they are connected to.
Thermostat wiring for dummies. Contains all the essential wiring diagrams across our range of heating controls. The thermostat is the control device that provides a simple user interface with the internal workings of your homes climate control system. Rc red wire power 24 vac rh or 4 red wire jumpered power 24 vac. Thermostat wiring diagrams for heat pumps heat pump thermostat wire diagrams. The basic heat ac system thermostat typically utilizes only 5 terminals.
This guide shows you how to wire up a thermostat watch this and other related films here. Faq t6360 room thermostat wiring operation faq wiring diagram s plan pump overrun st9400 and dt92e faq wiring diagram s plan plus pump overrun. A wiring diagram is a streamlined conventional pictorial representation of an electrical circuit.














