It is on the astra that opels success rests because the more expensive and profitable models for the manufacturer vectra or omega are far from such. Injecao eletronica mpfi do gm opel corsa 16.
Electrical Wiring 12 3 Schematics Valves Diagramcircuit5
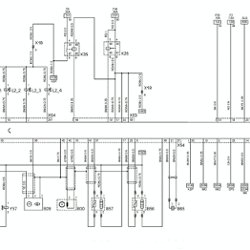
Opel corsa electrical wiring diagram. Injecao eletronica mpfi com ênfase no corsa 16pdf. Secure rubber grommet on wiring harness plug. D53 assemble wiring harness plug slide on new rubber grommet 3 using three pronged pliers 4. For water tight wiring harness plugs provide unoccupied chambers with sealing plugs. This video demonstrates the opel corsa complete wiring diagrams and details of the wiring harness or connectors. Diagrams for the following systems are included.
In 1862 a german entrepreneur adam opel founded an industrial company that got his name which initially occupied a niche for the production of sewing machines. Being opels representative in supermini class it is a good example of the overall philosophy and virtues this european manufacturer appreciates. 2010 2011 2012 2013 2014 engine compartment fuse box opel corsa d 2010 2014 fuse box engine. In the range of the german company opel the astra model occupies approximately the same place as the legendary golf family from vw. This is both the most popular and most popular model. Search for opel corsa b wiring diagrams here and subscribe to this site opel corsa b wiring diagrams read more.
Attach secondary lock 5. Insulate wiring harness according to d16. Find your opel corsa b wiring diagrams here for opel corsa b wiring diagrams and you can print out. Opel car manuals pdf wiring diagrams above the page agila combo gt manta adam cascada insignia karl movano corsa kadett meriva antara vivaro zafira ampera rekord. With a production run spanning over four decades and six generations opel corsa is one of the longest living names in the industry. Fulltext index 57 stromlaufplan corsa c bj 2001pdf.
Fuse box diagram location and assignment of electrical fuses for opelvauxhallholden corsa d 2006 2007 2008 2009 2010 2011 2012 2013 2014. Opel fault codes dtc. Some opel astra wiring diagrams are above the page. Sports market filled with models speedster and tigra. Archive tigra wiring diagram astra corsa tigra. Format chevrolet gmc wiring diagram manual chevrolet engine diagram tigra wiring diagram pdf download kabalikatcivicom tigra wiring diagram opel tigra.
Opel manual pdf downloadowner manualewdwiring diagramhandbookparts. Schematics of opel corsa c bj. Radio wiring engine wiring ac.


















