Imo a grid switch is the best way to make sure the load is at one point. Many kichen fitters i know cut into the ring main and fit surface sockets inside near cupboards.
2e2 Kitchen Grid Switch Wiring Diagram Wiring Library
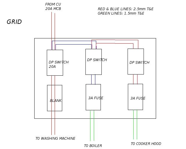
Kitchen grid switch wiring diagram uk. There should only be one fuse. As for a fuse at the grid switch and another at the appliance. Is the national grid fit for purpose. Fire statistics great britain april 2013 march. My trusted electrician carshalton. In 201314 cooking appliances were the source of ignition in more than half of accidental fires in homes throughout the uk.
Friday problems small jobs on the 4th floor and the lifts dont work duration. This just does not make sense although it is often done. More information about part p is available in our pages and from this link to the national inspection council for electrical installation contracting. More than half of all accidental house fires start in the kitchen. Kitchen grid switch replace. Domestic can anyone give me a couple of pointers about installing the mk grid wiring.
This means no matter the power set up or its complexity you can have the right switches together conveniently on one plate making it simple to control power and lighting for any room from one location. Grid wiring is a selection of products that give complete flexibility to create bespoke combinations of grid switches built on one front plate. This video is a great example of a stereotypical kitchen rewire. Ceiling rose wiring diagram it is important to remember that part p of the building regulations makes it illegal for diy electrics in many instances and certainly in the bathroom and kitchen. Wiring for grid frames and switches. To be honest every single kitchen fitter has their own method of hooking up appliances to the mains wiring.
Introduction to your kitchen multi grid isolation switches youll find your new kitchen includes isolation switches which allow you to control whether your integrated appliances receive mains power as they can be awkward to turn off or unplug. If it as the grid switch panel then anly a flex outlet is necessary at the appliance. The mixture of water hot surfaces flexible cables and electricity can be very dangerous. Grid tie inverter wiring to ac distribution board. Most new builds seem to deploy the use of a 6 or 9 way grid type switch on the wall and the fitter joins onto floating cables left for them. The instinct grid system incorporates extra security on switch fixings through the use of a clip and screw fixing system that prevents switch movement unlike other systems that just clip in place.















