This video will show you how to access the complete jeep grand cherokee wiring diagrams and details of the wiring harness. When issues happen using the trailer driver would want to know where the problem spot can be located.
Jeep Xj Tail Light Wiring Generatorisasi 11 Immo Ak De
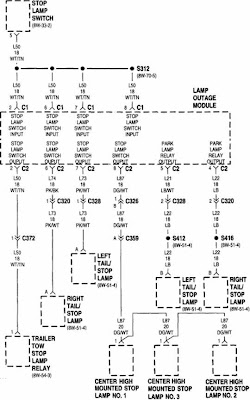
Jeep tail light wiring diagram. Wiring diagram pics detail. Diagrams for the following systems are included. Disconnect the tail lamp wiring harness from the car by unplugging it from the socket just inside the body of the truck via the hole behind the tail lamp. To begin with understanding the diagram of cables for trailer will be helpful during troubleshooting. The tail light wiring harness is for those of you that have a 2007 to 2018 jk that need to replace the factory tail light wiring harness because there is a short maybe yours has been cut up for some reason its just not working properly. Ledt 407c cb cs 87 06 jeep wrangler led tail lamp instructions.
This video about 16 led for trucktrailerjeep as stoptailturn lights review. 2006 jeep liberty wiring diagram 2003 jeep liberty engine diagram furthermore tail light wiring rh flrishfarm co. Assortment of 2006 jeep liberty wiring diagram. Radio wiring engine. Rugged ridge led tail light set 87 06 jeep wrangler yj tj. It will help.
2004 jeep liberty tail light wiring diagram data wiring diagram jeep xj trailer wiring diagram by bismillah. The front harness connector from the 87 looks lightly different than what was connected in the cab. Using a jeep shop manual or any other manual containing the wiring diagram for your jeep. A16 led light revie b16 led siz chow to wiring the linepartsam official. The rear section of the harness that connected to the tail light harness was a 6 pin gm weather pack connector with the 5 wires. My truck is an 88 and the rear connector at the tail light end was more of a square ish connector type.
















