I bought a jamma harness but everything was in chinese. Ra wire harness retroarcadesus holland computers inc.

Icade Jamma Wiring Harness Automotive Rpg3 Vovbernheze Nl
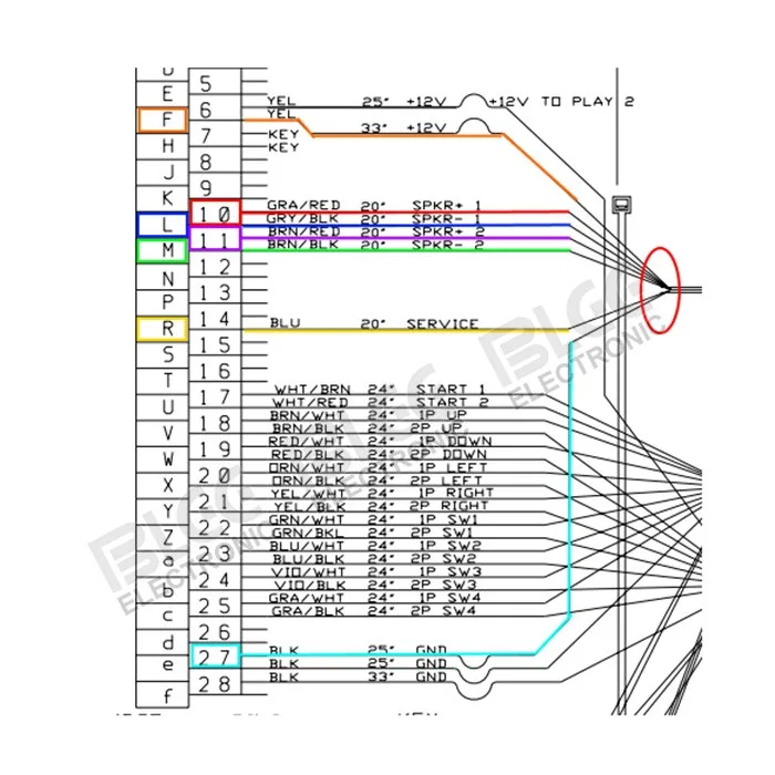
Jamma wiring harness diagram. Heres how i muddled through to ins. Jamma harness w187 quick disconnects pn. Install a jamma harness in an arcade cabinet. I got another board but the pins didnt match i figured out i needed to replace the wires. First thing you need is a jamma. I try to use the color that fits into my overall color scheme when making harnesses and in this case for jamma i use yellow 18ga for 5 volts.
Jamma harness w quick disconnects ground wire to the ground loop and the appropriate jamma wire jamma functional connection diagram. Heres some helpful tips. The first thing you need to do with your harness is bundle it. Ground wire to the ground loop and the appropriate jamma wire to the normally open terminal as illustrated. I have a brand new jamma harness and 60 in 1 board for my ms the wiring diagram for a 60 in 1 really doesnt come into play for what you. How to connect a jamma harness.
I have an arcade machine in a cabinet that doesnt work. I got myself a few items from jamma boards to built a 60 in 1 multi board your xx in 1 board manual will show you which wires are what. Jamma harness wiring diagram this 6 button wired jamma harness comes complete with crimped terminals and is ideal as a replacement for existing jamma machinesarcade machine. So you have built the ultimate arcade cabinet purchased a whole bunch of electronic hardware and now all you need to do is wire it altogether. The remainder of the wires used as io are 20 guage.