Ultimate handyman 128210 views. Use our helpful tool to take an assessment of the existing wiring in your home.
Ac Box Wiring Diagram Wiring Diagrams
Honeywell bell box wiring diagram. Bellbox wiring mas author. Wiring diagrams contains all the essential wiring diagrams across our range of heating controls. Learn more about resideos response to covid 19. Honeywell security products ag6 bell box g4 lcd etc esupplyltd. Replacing a thermostat can be tricky because of the variety of colors of the electrical wiring used for to control the unit. Technical data operating voltage 10 15vdc internal battery 6v ni cd 280mah rechargeable.
I cannot even find the possible zonepirpanic button to check the wiring at it. Coming to the end of my install for this alarm but i have a few questions which the manual does not seem to cover. The honeywell second generation rth9585wf1004 wi fi smart color thermostat is designed to fit the individual. However the diagram shows that one of the bell boxes has what appears to be a link from hold off to rtn. Can anyone help me. Alarm wiring duration.
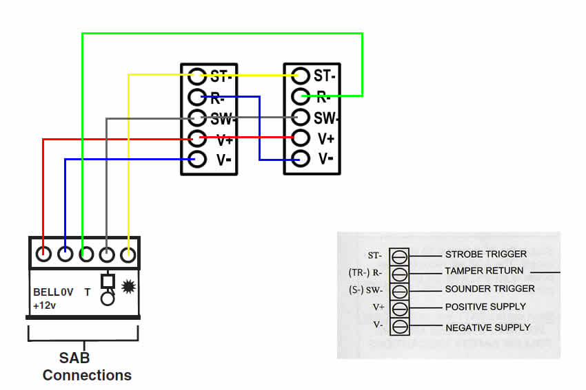
The dummy bell box has no functionality. Find out if your home is compatible with a honeywell home thermostat. The creation of a custom schedule will satisfy comfort needs while optimizing energy savings. Using existing wiring it has two cores from bell box wire to an individual zone so only 4 spare cores available at bell box. Bell box bell box or or honeywell ade panels optima accenta logic 46 concept karizma ultimate texecom panels veritas c8 v8 r8 excell premier elite texecom bellboxes odyssey 12345 1e 2e etc honeywell ade bellboxes ag6 ag8 s r s r s r not used see note o s s. White and blue unit bell box which is a self contained external sounder and strobe.
Electrical wiring for a honeywell thermostat. Electrical wiring question replacing honeywell t6160 room stat mains 3 wirewith horstmann drt2battery operated 2 wire. Our wiring diagrams section details a selection of key wiring diagrams focused around typical sundial s and y plans. Replaced panel and would now like to replace bell box. The unit is suitable for wall mounting externally and can be connected to any intruder control panel. More about thermostat wiring.
1 i have two bell boxes and the basic wiring is fine. Use our helpful tool to take an assessment of the existing wiring in your home.












