Video ini menampilkan skema atau wiring diagram panel amf ats menggunakan. Sumberteknik seputargenset panelats untuk menunaikan janji dan permintaan teman teman semua saya share video ini.
                        Gv 5185 Wiring Diagram Panel Ats Genset Free Diagram
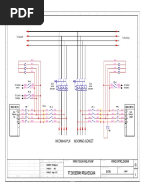
Wiring diagram panel ats dan amf. Battrey charger 24v75a 5. Mcc schneider electric 4. Sebelum kita membuat implementasi rangkaian ats amf genset otomatis ada baiknya terlebih dahulu kita memahami pengertian dari ats maupun amf. Blok detector sumber daya utama rangkaian ini berfungsi untuk memberikan informasi kondisi sumber listrik utama hidup atau mati kepada rangkaian blok starter engine nc m1. Dilengkapi dengan kontroller deep sea 4520 mk ii dan cos motorized socomec atys r. Wiring diagram ats amf dengan zelio smart relay.
Amf module dse 6020 deepsea 6. Box panel 1800 x 800 x 600 free standing 2. Ats automatic transfer switch merupakan suatu sistem pengontrolan yang memiliki fungsi untuk mengganti koneksi secara otomatis dari satu sumber tegangan listrik ke satu sumber tegangan listrik lainnya. Prinsip kerja dalam panel atsamf ini saya membaginya dalam tiga blok yang memiliki fungsi dan tugas masing masing. 11wiring diagram dan manual harga per unit panel amf ats 500 kva rp 84500000 spesifikasi panel amf ats 500 kva socomec 1. Kali ini saya mau berbagi satu lagi hasil karya saya yang sampai saat ini masih aktif bekerja meskipun saya merencanakannya menggunakan zelio smart relay namun saya rakit dengan model konvensional.
Reley omron my2 7. Mcb 1p 6a schneider electric 8. Motorized cos 4p 800 a socomec 3. Agar lebih jelas sy sarankan. Wiring panel listrik ats automatic transfer switch amf automatic main failure.

















