2 gang switch wiring actual and schematic diagram duration. They are wired so that operation of either.
Ll 6582 One Way Switch Wiring Diagram Light Schematic Wiring
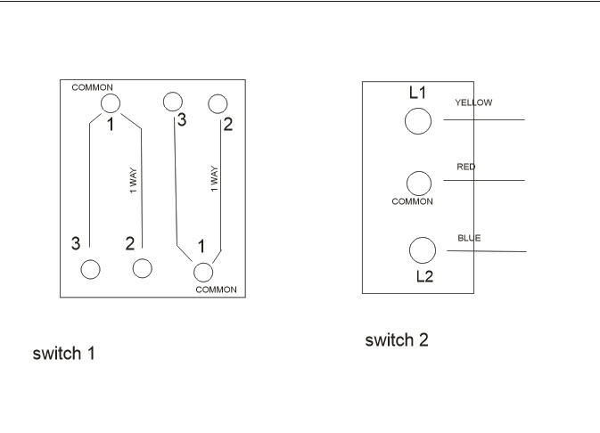
Two gang two way switch diagram. 3 way light switching new cable colours 3 way light switch old cable colours. These are typically labelled com l1 and l2 some may label the l1 and l2 positions as 1 way and 2 way. You have an incoming hot wire black going to one screw it does not matter if you use the brass or silver screw on the side of the 2 way switch and a black wire from the other screw on the 2 way switch going to the load light ceiling fan etc. Two way means that the switch has two positions on and off and two gang means that two switches are packaged together. 2 gang 2 way switch wiring diagram wiring diagram is a simplified usual pictorial representation of an electrical circuitit shows the components of the circuit as simplified shapes and the power and signal links in the midst of the devices. Each of the gangs or switches above in fig 2 of which there are two work like this fig 3.
Way in switch gang in switch and sp dp pole difference in electrical switches. With a pair of 3 way switches either can make or break the connection that completes the circuit to the light. A two gang two way light switch sounds complicated but its actually the very common two switch light fixture youre probably used to seeing in your home. A 2 way switching connection means you can control an electrical equipment like bulb by two switches placed at different places generally used in the staircase. In position 1 when the switch is down or on com and l1 are connected together just like the one way switchin position 2 when the switch is up or off com and l2 are connected together. A two way light switch is a simple single pole changeover switch with three terminals.
Notice the black wire is the only wire that we are controlling through the 2 way switch. Two way switch can be operated from any of the switch independently means whatever be the position of other switchonoff you can control the light with other switch. 2 way light switch 3 wire system new harmonised cable colours 2 way switch 3 wire system old cable colours 2 way switch two wire control three way switching. Old multi point radial lighting diagram using junction boxes. Wiring a 3 way light switch is certainly more complicated than that of the more common single pole switch but you can figure it out if you follow our 3 way switch wiring diagram. 2 way switch 3 wire system new harmonised cable colours 2 way switching means having two or more switches in different locations to control one lamp.
Wiring a 3 way light switch. Two way intermediate duration.















